jrf系列间接式燃煤热风炉

应用范围:
该炉为通用性热风装置,与各种物料的干燥设备配套使用。广泛用于粮食、种子、饲料、果品、脱水蔬菜、香茹、木耳、银耳、茶叶、烟叶等农产品、食品、医药品、化工原料、轻重工业产品的加热除湿,还可用于各种设施的加热以及库房除湿等。
工作原理:
该炉集燃烧与换热为一体以炉体高温部位进行换热的较新间接加热技术,烟和空气各行其道,加热绝对无污染,热效率高(达60-75%),升温快,体积小,安装方便,使用可靠,且价格低(与一吨锅炉相比该加热系统只相当于锅炉加热系统价格的一半)。
产品特点:
采取了耐高温措施,从而使其寿命列管式热风炉大大延长,并采用了烟气纵向冲刷散热片和负压式排烟方式,换热部位不积灰尘,无须清理,热性能稳定。可用各种煤或柴作燃料,并配有二次进风装置燃烧完全。该炉的各项技术经济指标均达到了国内水平。
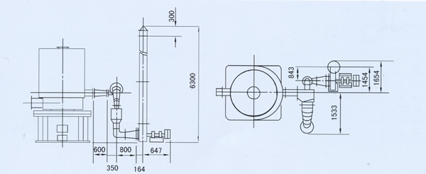
安装示意图:

技术参数:
|
名称\型号 |
JRF-15 |
JRF-20 |
JRF-30 |
JRF-40 |
JRF-60 |
JRF-80 |
JRF-100 |
|
内筒直径 |
760 |
760 |
1170 |
1170 |
1470 |
1670 |
1870 |
|
外筒直径 |
1280 |
1280 |
1840 |
1840 |
2200 |
2460 |
2700 |
|
总高 |
3500 |
3500 |
4260 |
4760 |
4810 |
5110 |
5310 |
|
设备重量 |
3.15T |
3.65T |
6.8T |
7.5T |
9.8T |
11.7T |
13.5T |
|
热风出口直径 |
300 |
300 |
500 |
500 |
500 |
600 |
600 |
|
热风出口高度 |
1585 |
1585 |
1670 |
1670 |
1670 |
1770 |
1770 |
|
烟气出口直径 |
250 |
250 |
250 |
250 |
250 |
300 |
320 |
|
烟气出口高度 |
2050 |
2050 |
2220 |
2220 |
2220 |
2385 |
2385 |
|
牛角弯头型号 |
XZD/G φ578 |
XZD/G φ810 |
|
每小时耗煤量 |
43kg |
57kg |
85kg |
115kg |
170kg |
230kg |
286kg |
|
煤的燃烧值 |
5000kca/h
|
|
热效率 |
70-75% |
75-80% |
|
引烟风机型号 |
Y5-47-3.15C-1.5KW |
Y5-48-4C-2.2KW |
Y5-48-4C-3KW |
Y5-47-4C-3KW |
Y5-47-4C-4KW |
Y5-47-5C-7.5KW |
敬告注意:
环境基准温度标准按18℃±2℃.煤的热值以5500kcal/kg计算。
表中热风温度是按输出风量确定的。热风炉JRF4型的热风温度较高可达200℃以上, JRF5、JRF6热风温度较高可达300℃以上(特殊制造可达500℃以上),用户根据需要进行调整。
热风温度较高可达300℃以上(特殊制造可达500℃以上).用户根据需要进行调整。
热风炉烟窗配置高度: JRF4型3—5米, JRF5、 JRF6型为5—8米。
表中外形尺寸对应位置见热风炉安装示意图。
炉膛下部内侧壁上的耐火层以炉蓖处为起点,其高度: JRF4-4型为0.5米,可现场安装。
JRF6型为链条炉排式燃烧装置。 |